• <li id="e0eee"></li>
  • <li id="e0eee"><table id="e0eee"></table></li>
  • <tt id="e0eee"></tt>
  • <li id="e0eee"></li>
    全國咨詢熱線
    聯系虹橋
    17814901234
    在線詢價-定制產品-服務支持

    聯系人 : 荊經理

    手機 : 17814901234

    郵箱 : hongqiaozhidong@163.com

    地址 : 焦作市武陟縣云臺大道東側2號

    微信二維碼
    YWZ4系列的電力液壓鼓式制動器
    17814901234
    詳情介紹

    02

    基本組件

      *制動架;

      *相匹配的電力液壓推動器

    應用領域

      YWZ4系列的電力液壓鼓式制動器廣泛用于起重、運輸、冶金、礦山、港口、碼頭、建筑機械等機械驅動裝置的減速或制動。

    符合標準

      YWZ4系列電力液壓鼓式制動器的安裝尺寸和制動力矩參數符合JB/ZQ4388-1997標準,其技術要求符合JB/T6406-2006標準。

    產品優勢

      a)性能安 全可靠,制動平穩,動作頻率高。

      b)主要擺動鉸點裝有自潤滑軸承,傳動效率高,壽命長,使用過程中無需潤滑。

      c)無石棉制動襯墊與制動瓦塊采用卡裝插入式,安 全可靠.更換方便、快捷。

      d)聯鎖式等退距裝置,使用過程中始終保持兩側瓦塊退距均等,避免因退距不均使一側制動襯墊浮貼制動輪的現象。

    工作原理

      當通電時,電力液壓推動器發生動作,其推桿快速上升,并通過杠桿作用打開(釋放)制動瓦;

      當斷電時,電力液壓推動器的推桿在制動彈簧力的作用下,迅速下降,并通過杠桿作用使制動瓦合攏(抱閘)。

    使用條件

      *環境溫度: -20℃-50℃;

      *空氣相對濕度不大于90%;

      *周圍工作環境中不得有易燃、易爆及腐蝕性氣體,否則應采用防腐型產品;

      *戶外雨雪侵蝕或有腐蝕性氣體和介質應采用防腐型產品。

    使用說明

      a)安裝前的檢查:該系列的制動器工作前應進行全 面檢查,即檢查制動器在運輸或儲存過程中是否損壞或缺件,檢查制動輪表面是否清潔,如果有油或其他污垢,應清潔干凈。

    00

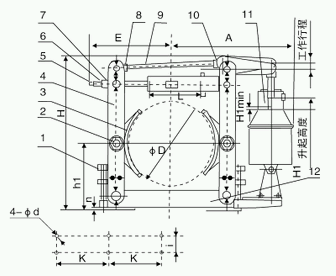
      1.退距調整螺栓    2. 制動瓦隨位裝置     3. 制動瓦      4. 制動臂

      5.螺桿            6. 螺母               7. 螺母        8. 螺母

      9. 拉桿           10. 螺母              11. 推動器     12. 底座

      b)制動器的安裝:制動器的安裝請參照上圖(機械結構圖)并按下列步驟進行:

      縱裝:松開螺母6、7、8、10,轉動拉桿9,撐開制動臂,再將制動器套裝在制動輪上。

      橫裝: 1)當制動輪已經安裝在電機與其他機件之間時,松開螺母6、7、8、10,轉動拉桿9,并取下螺桿5、拉桿9,然后將制動臂放倒,從側面裝到制動輪上。

      把制動器安放在主機底座上后,輕輕地擰上地腳螺栓,旋轉拉桿9,此時瓦塊隨位裝置2中的螺母應保持松緊適當,使制動器兩側的制動瓦與制動輪貼合;若貼合不好,繼續旋轉拉桿9。當制動瓦與制動輪的表面貼合達到狀態時停止旋轉,然后擰緊地腳螺栓。

      3)在使用時,推動器應加注液壓油。當油液溫度在0℃-45℃時,推薦加入32號液壓油;當油液溫度在0℃-20℃時,加入22號液壓油。

      c) 制動器的調整:

      推動器工作行程的調整

      首先應將彈簧力釋放到小值,然后再旋轉拉桿9,使制動器處于閉合狀態;繼續旋轉,使推動器的推桿的升起高度H1值符合(下表)規定。

      隨著制動襯墊的磨損,推動器的工作行程將逐漸增大,H1值逐漸減小。當減小H1min值時(見下表),需及時按照以下方法重新調整,否則制動失效。

      制動力矩的調整

      松開螺母6,夾住螺桿5的尾部方頭,轉動螺母7,使彈簧安裝長度符合(下圖)所列出的詳細參數要求;當調整好后將螺母6和7擰緊。

      制動瓦退距的調整

      當制動瓦打開時,調整螺栓1,使兩邊退距保持一致;該系列的制動器若配套退距均等裝置,在制動器打開時,兩邊退距自動均等,無須調整。

      制動瓦隨位裝置的調整

      固定制動瓦的螺母2,并松緊適當,使制動瓦與制動輪可以隨位

      d)保養說明:①檢查各鉸接處是否磨損;

     ?、谥苿悠鞯慕Y構運動是否正常,各調節螺母是否鎖緊;

     ?、弁苿悠鞯纳鸶叨仁欠穹弦幎ǎㄒ娚蠄D);

     ?、芡苿悠鞯倪\行是否正常,液壓油是否足量,有無漏油或滲油現象;

     ?、蒌N軸及心軸磨損量超過直徑的5%或橢圓度超過0.5mm時應更新;

     ?、迿z測制動塊是否正常貼合在制動輪上,摩擦面的狀況是否完好,是否有油膩或臟污痕跡。

    型號意義

    image


    01

      注:YWZ4系列的制動器匹配Ed推動器,替代原YWZ4B系列;

      具體型號、結構、外形尺寸保留更改的權利;

      產品如有改進,不另行通知。


      注:YWZ4系列的制動器匹配YT1推動器,替代原YWZB;

      具體型號、結構、外形尺寸保留更改的權利;

      產品如有改進,不另行通知。



    實力 能力 質量 堅守契約 延伸服務 共創雙贏 Stick to the contract, extend the service, create a win-win situation 工廠占地
    • 一、雄厚的資金技術實力

      虹橋公司是一家集科研、生產、銷售和技術服務為一體的高科技現代型企業,注冊資本3000萬元,依托雄厚的資金實力建立了系統的配件維修中心。我公司自成立起一直秉承“專注技術和服務的方針”,產品和服務質量遠高于同行,于2003年先后獲得國家特檢中心頒發的認可證書,成為建筑起重機械分會的會員之一。

    • 二、強大的生產加工能力

      公司標準化生產基地6.98萬平方米,員工200余人,并具有國內先進的加工流水線成套設備,系統的配件供應體系,且年生產加工設備總量位居市場前列,使公司逐漸在市場的占有率、品牌知名度、工業技術水平、質量狀況等指標上均達到優良水平。

    • 三、質量過硬的主推產品

      公司以市場為導向,不斷開發培育新品種,開發推廣的優良新品種有盤式制動器(安全制動器SB,SBD系列、電力液壓臂盤式YPZ2系列、氣動鉗盤式QP(CQP)系列)、鼓式制動器(電力液壓YWZ系列、電磁鼓式ZWZ3系列、腳踏式TYW系列以及帶式制動器DZ系列)、防風制動器(液壓輪邊型YLBZ系列、頂軌式YDGZ系列和夾軌器YJGQ系列)和驅動裝置(Ed系列、YT1系列和隔爆型BEd系列)。

    • 四、靈活快速的市場開發

      公司始終遵循圍繞市場、服務客戶的營銷理念,營銷方式在注重實效的前提下靈活多樣。公司市場服務的網絡已遍布河北、山西、新疆、安徽、江蘇、山東、內蒙、遼寧等地,并出口東南亞,歐美等國家地區,在國內、國外的營銷網絡日趨完善,并擁有多家穩定的代理商,為實現產品的跨越式發展注入了強勁的動力。

    • 五、良好的信譽保證

      “品行天下、共創雙贏”是我們企業堅守的經營理念?!鐦颉浦苿悠飨群髽s獲河南省商標,“河南省優良產品”的稱號,以及“河南省科技型中小型企業”的稱號,逐漸成為客戶心目中的滿意品牌;此外,公司于2002年順利通過ISO9001國際質量體系認證。經過10多年的不斷發展,目前已成為河南省具有發展潛力的制動器企業之一。

    • 六、堅實的科研后盾

      我公司與多家建筑起重機械公司和眾多生產供應商達成了長期合作和科技依托的關系。公司現有科研人員20人,外聘專家1名,年完成測配組合2000多個。

      數年耕耘終有報,碩果累累滿枝頭。公司已為中國多家大型企業和建設項目成功設計、制造出具有國際行業先進水平的專用傳動設備,我們的產品服務著國內幾百家企業和上萬家遍及機械、冶金、港口、電路和水利等中小型企業,均具有很強的生產優勢、市場潛力和競爭力。

    適用領域 鑄造起重機等特種起重機起升機構低速軸的安全(緊急)制動
    • 大中型起重機
    • 港口裝卸機械起升
    • 緊急安全制動
    • 礦用卷揚機
    • 提升機
    • 皮帶運輸機
    • 纜車
    • 索纜起重機驅動
    售后服務承諾函 我公司所供產品的型號、規格、技術參數、安裝尺寸均保證按國家標準及客戶確認圖紙生產,資質齊全,并率先通過了ISO9001:2015質量體系認證,產品質量有保證:
    • 01

      我公司所提供的產品三包,期限一年,在質保期內,由于產品自身質量出現問題,我公司負責免費更換配件及整機。

    • 02

      對我公司的產品技術性能及在使用中的注意事項,我公司負責作熱情的咨詢服務,并請客戶督促檢查。

    • 03

      接到貴公司問題反饋立即做出反應,需要現場指導的,省內24小時,省外48小時到達

    關閉

    全國統一咨詢熱線:

    17814901234

    在線咨詢 f-ewm.jpg 加微信詢價
    回到頂部
    国产日产欧产美韩系列影片